Các hệ thống kiểm soát, đo lường và điều khiển dưới đây có tính chất demo giới thiệu với các chức năng cơ bản. Quý khách hàng có thể hoàn toàn yêu cầu AOIP Measure Co., Ltd phát triển thêm các tính năng cũng như gửi các yêu cầu khác phù hợp với yêu cầu cụ thể của doanh nghiệp. Chúng tôi sẵn sàng hợp tác để xây dựng cho quý khách hàng một hệ thống tích hợp hoàn chỉnh từ khâu tư vấn, mua sắm thiết bị. thiết kế và lập trình phần mềm kiểm soát hệ thống, đào tạo và chuyển giao dự án, đưa vào vận hành và bào trì bảo dưỡng định kỳ. Hãy liên lạc với AOIP để tìm hiểu thêm chi tiết về các hệ thống và ứng dụng khác.
1. Hệ thống kiểm soát nhiệt độ giúp cho nhà máy, xưởng sản xuất kiểm soát được nhiệt độ của khu vực sản xuất, phòng thí nghiệm, nơi đóng gói và lưu trữ hàng hoá. Hệ thống có chức năng đọc nhiệt độ từ các sensor, máy đo nhiệt độ. Phát ra cảnh báo nếu khu vực theo dõi có nhiệt độ vượt ra khỏi phạm vi kiểm soát, thực hiện tính toán thống kê, độ lệch chuẩn và hiển thị tần đồ (histogram) của nhiệt độ tại những nơi, điểm cần khống chế và kiểm soát. Cơ sở dữ liệu cho phép người dùng truy cập lại lịch sử của nhiệt độ trong nhà máy cũng như khu vực xưởng khi cần thiết.

2. Dự báo về doanh số bán hàng, năng suất và sản lượng sản phẩm trong tương lai của doanh nghiệp, của nhà máy dựa vào các số liệu sản xuất và kinh doanh hiện tại. Dễ dàng cho việc đề ra kế hoạch, thiết lập mục tiêu trong sản xuất. Tiện dụng cho cán bộ quản lí cập nhật được thông tin hoạt động của doanh nghiệp, dễ dàng cho nhân viên theo dõi và điều chỉnh kịp thời kế hoạch sản xuất, điều phối nhân lực.

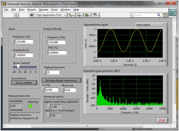
3. Ứng dụng cho phép tính toán chỉ số Total Harmonic Distortion TDH) Trong các phép đo và các thí nghiệm. Từ đó có sự nhìn nhận và đánh giá về chất lượng sản phẩm, kết quả của thí nghiệm.

4. Ứng dụng tính toán và kiểm soát biên độ dịch chuyển và phổ công suất output của các thiết bị thử nghiệm trong các hệ thống kiểm tra độ rung, đập. Khi vận tốc của động cơ gia tăng, biên độ dịch chuyển của các thành phần hệ thống cũng như sản phẩm test cũng gia tăng, lúc này đây tốc độ lấy mẫu, đọc dữ liệu tần số và biên độ dịch chuyển cũng phải được điều chỉnh để các dữ liệu thu nhận được từ các máy đo, đầu dò là phản ánh chính xác giá trị cần đo, cần kiểm soát. Ứng dụng phù hợp với các hệ thống yêu cầu tốc độ cao trong hoạt động và độ phân giải lớn trong các phép đo.

5. Chương trình Mô phỏng hoạt động dao động ký điện tử hay còn gọi là máy hiện sóng (Oscilloscope) 2 kênh. Bạn có thể hiển thị tín hiệu trên cả hai kênh A &B hoặc từng kênh A, B riêng lẻ. Sau khi chọn lựa kênh hiển thị, loại tín hiệu đầu vào, bạn cũng có thể thiết lập về các thông số hoạt động của Oscilloscope, Volts/div, trigger source, slope và level…Ngoài ra, phía công ty AOIP có thể cung cấp các chương trình phần mềm theo yêu cầu của khách hàng để điều khiển các loại dao động ký của các nhà sản xuất nổi tiếng như Tektronic, Lecroy, Agilent technologies, Hameg, Good Will, Nicolet, ALP

6. Hệ thống kiểm soát tự động việc phân phối, cung cấp và lưu trữ dầu, nước và chất lỏng, chất khí. Các thông số của hệ thống như nhiệt độ, áp suất, lưu lượng dòng chảy vào ra, mực chất lỏng hay thể tích lưu trữ được kiểm soát thuận tiện và dễ dàng kiểm soát điều khiển

7. Hệ thống kiểm soát sự pha trộn, điều chế và phối hợp các thành phần của hỗn hợp chất lỏng, chất khí dùng trong các nhà máy xưởng sản xuất có nhu cầu điều chế và pha trộn các thành phần chất lỏng/khí theo một tỉ lệ, công thức xác định. Nhiệt độ và áp suất cũng như các thông số khác của quy trình được kiểm soát chặt chẽ và hoàn toàn tự động.

8. Ứng dụng thu nhập và xử lí tín hiệu đo lường, thực hiện và tính toán các chỉ số theo yêu cầu của sản phẩm. Các đại lượng có thể kiểm soát và đo lường biến đổi đa dạng từ hiệu điện thế, dòng điện, tần số, công suất, tín hiệu số, tín hiệu tương tự vvv…

Còn nữa…
INO Measure Co.,Ltd
98/31B, Linh Dong Street, Linh Dong Ward
Thu Duc District, Ho Chi Minh City, Vietnam
Web : ww.aoip.com.vn
Mail: info@aoip.com.vn
Tel: (84) (8) 37200184
Fax: (84) (8) 37200197




















Comments are closed.