Mặc dù nhà sản xuất đã có cung cấp phần mềm điều khiển thiết bị Agilent 4294A Precision Impedance Analyzer đi kèm khi bán thiết bị. Tuy nhiên do yêu cầu của dây chuyền sản xuất, phần mềm này không đáp ứng được nhu cầu và mục đích sử dụng riêng của thiết bị cho hệ thống thử nghiệm chuyên biệt. Khách hàng đặt ra yêu cầu cho công ty AOIP Measure Co., Ltd trong việc thiết kế phần mềm như sau

Hình ảnh của thiết bị trong hệ thống thử nghiệm

Yêu cầu của Test report (format file excel) khi sản phẩm được đo và kiểm tra hoàn thiện

Giao diện chính của chương trình bằng LabVIEW 2009

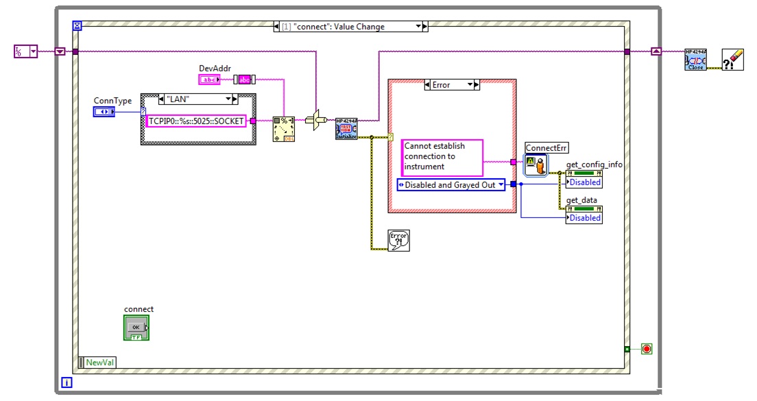
Mã nguồn LabVIEW của chương trình điều khiển và thu thập dữ liệu từ thiết bị Agilent 4294A Precision Impedance Analyzer
![]() |
![]() |
Hình ảnh Test Report

Hình ảnh dây chuyền lắp ráp của sản phẩm cần thử nghiệm

INO Measure Co.,Ltd
98/31B, Linh Dong Street, Linh Dong Ward
Thu Duc District, Ho Chi Minh City, Vietnam
Web : ww.aoip.com.vn
Mail: info@aoip.com.vn
Tel: (84) (8) 37200184
Fax: (84) (8) 37200197






















Comments are closed.